GY3282是一款高性能CMOS ARINC 429总线接口电路,满足ARINC 429规范要求的编码和时分复用串行数据协议。
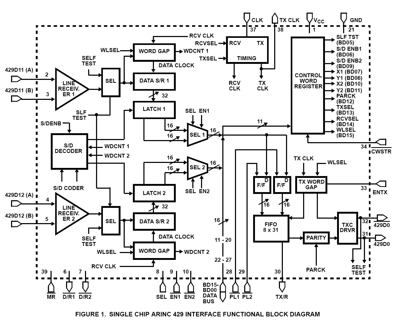
GY3282包括独立工作的两个接收器和一个发送器,两个接收器以10倍的接收数据速率频率工作,该频率可以与发送器的数据速率相同或不同。虽然两个接收器工作的频率相同,但它们在功能上是独立的,每个接收器都异步接收串行数据。该发送器部分主要由FIFO和时序电路组成。FIFO用于缓存多达8个ARINC数据字,以用于串行传输。时序电路用于根据ARINC 429的要求正确地分离每个ARINC字。即使ARINC 429规定了32bit的字(包括奇偶校验),GY3282也可以通过编程支持字长为25bit的字。接收器对所接收的数据字要进行奇偶校验,并将奇偶校验结果存储在接收锁存器中,在第一个接收数据字被校验的期间,输出到引脚BD08上(逻辑“0”表示接收并存储逻辑“1”的数量为奇数;逻辑“1”表示接收并存储逻辑“1”的数量为偶数)。在发送器中,奇偶校验位生成电路将根据PARCK控制信号的状态产生奇偶校验位。BD12上的逻辑“0”将在输出数据流中产生一个奇校验位。
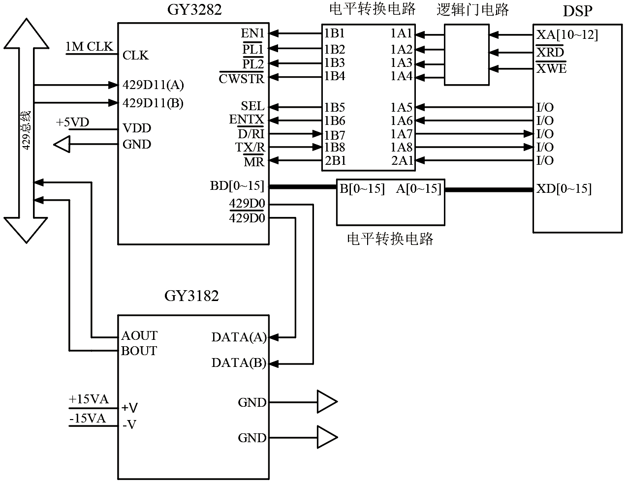
GY3282是5V电源供电,完全保证在电压范围内(5V±5%)和全军用温度范围内支持ARINC 429的数据速率。支持UL、CMOS或NMOS电路系统。GY3282的发送器和接收器的数据速率可以是0到100Kbits。外部时钟必须是数据速率的十倍,以确保数据唯一。通常情况下,该器件与GY3182(满足ARINC 429的规格单片Dl双极差分线路驱动器)配对使用。
GY3282提供40管脚CDIP、SBDIP、CSOP以及44管脚CLCC封装形式,电路电气特性兼容INTERSIL公司的HS-3282和HOLT公司的HI-3282。
顶视图

工作原理框图

典型应用电路

Copyright © 2025 西安硅宇微电子有限公司 技术支持:兄弟网络